官方新版 二级建造师教材市政机电公路水利优路教育网课真题试卷题库 二建建筑2026年教材网课
折后价 ¥ 39.8
建筑工程制图与识图教程书籍 一天看懂建筑结构施工图 包邮 轻松看懂建筑施工图建筑图纸绘制识读从 官方旗舰店
所 在 地:福建 福州
累计销量:3 件
店铺掌柜: 福建科技出版社旗舰店
¥30.8 ¥42.8
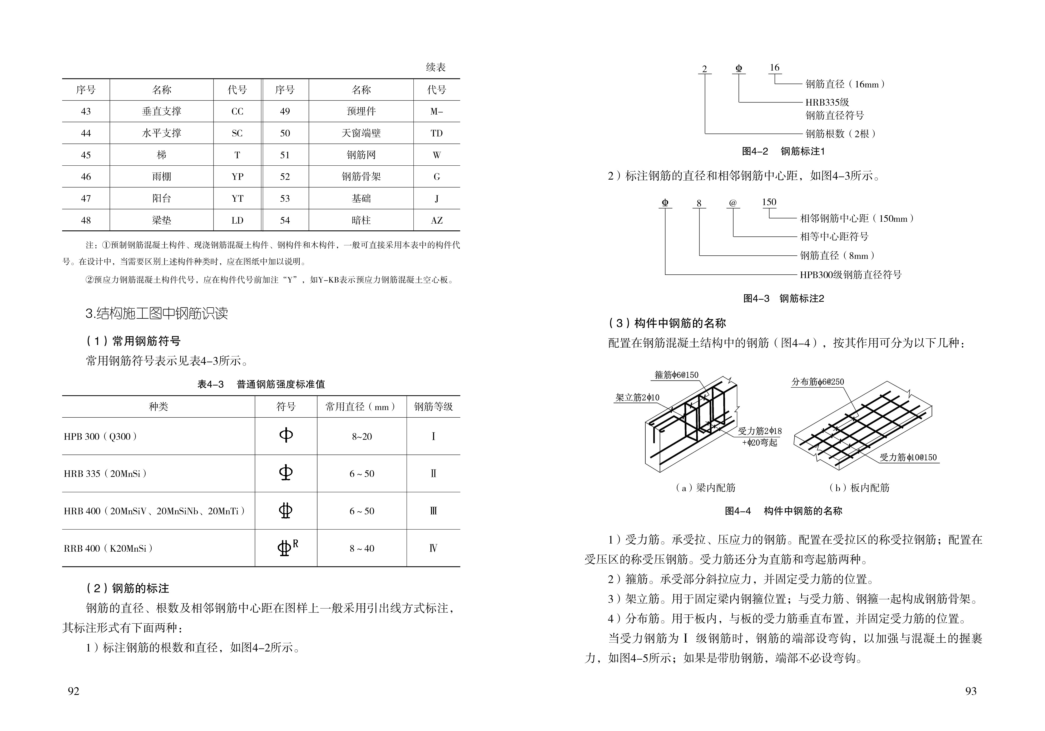
商品详情



