儿童礼物 通信联机 新版 万代Tamagotchi拓麻歌子电子宠物游戏机V3
折后价 ¥ 235
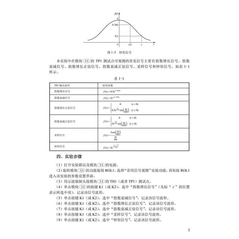
基本信号设置方法 分解和合成 基本使用方法 连续时间周期信号 音频信号采集及观测 常用信号分类与观察 信号与系统实验指导
所 在 地:北京
累计销量:0 件
店铺掌柜: 千鼎源图书专营店
商品标签:分解和合成
¥48.9 ¥58
商品详情



