新版 水利交通运输官方教材网课 2025年一级造价师历年真题试卷押题库一造复习题集建设工程造价工程师计价管理案例分析土建计量安装
折后价 ¥ 9.9
采油地质工 大庆油田石油工业出版 下册 技师试题中国石油天然气集团人事部 社9787518331086 石油化工职业技能培训教程含高 新版
所 在 地:北京
累计销量:0 件
店铺掌柜: 日臻伟平图书专营店
¥75 ¥75
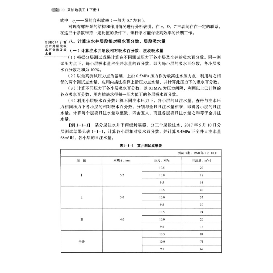
商品详情



